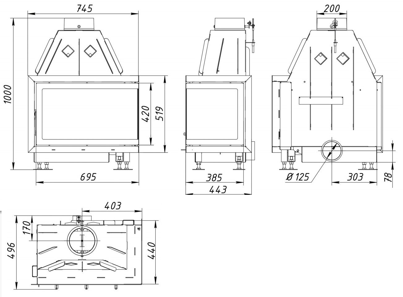
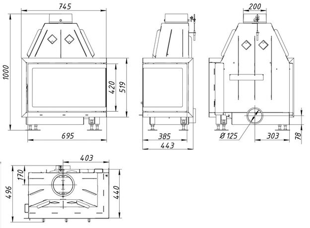
Каминная топка EcoKamin Альфа 700 R
5dc77257573a
Доставка в Челябинск
Удобство оплаты
Почему звонить в Очаг уже сейчас?
- Единая цена по всей России
- Бесплатная доставка
- Понимаем любой бюджет
- Считаем ВСЕ варианты
- Инструкции и видео для Монтажа
- Доступно, Оперативно, Профессионально
- Более 2 000 монтажей за 17 лет
Примеры работ #Степан_Знает
Видео галерея
Описание
Характеристики
Общие
Производитель:
Страна-производитель:
Россия
Остекление:
Материал корпуса:
Материал топки:
- Шамот
Конструкция топки:
Боковое стекло:
Справа
Размеры
Диаметр дымохода:
200 мм
Общая ширина:
722 мм
Общая глубина:
440 мм
Общая высота:
1010 мм
Общий вес:
117 кг
Высота рамки:
420 мм
Ширина рамки:
695 мм
Производительность
Мощность:
12 кВт
КПД:
80%
Площадь отопления:
120 м²
Объем отопления:
300 м³
Использование для отопления:












