Каминная топка Romotop Heat R/L 3G L 65.51.40.21
fef5a26bd2a4
Доставка в Челябинск
Удобство оплаты
Почему звонить в Очаг уже сейчас?
- Единая цена по всей России
- Бесплатная доставка
- Понимаем любой бюджет
- Считаем ВСЕ варианты
- Инструкции и видео для Монтажа
- Доступно, Оперативно, Профессионально
- Более 2 000 монтажей за 17 лет
Примеры работ #Степан_Знает
Видео галерея
Описание
Характеристики
Общие
Производитель:
Страна-производитель:
Чехия
Остекление:
Материал корпуса:
Материал топки:
- Вермикулит
Конструкция топки:
Стекло с подъемом вверх:
Да
Размеры
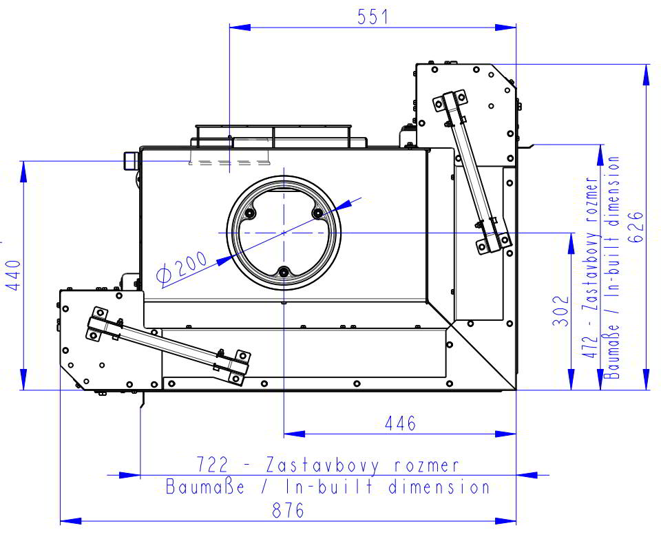
Диаметр дымохода:
200 мм
Общая ширина:
876 мм
Общая глубина:
626 мм
Общая высота:
1387 мм
Общий вес:
235 кг
Высота рамки:
470 мм
Ширина рамки:
650 мм
Производительность
Мощность:
6,3 кВт
КПД:
84,8%
Площадь отопления:
70 м²
Объем отопления:
175 м³
Использование для отопления:












